+++ 73 DE DL4CS +++

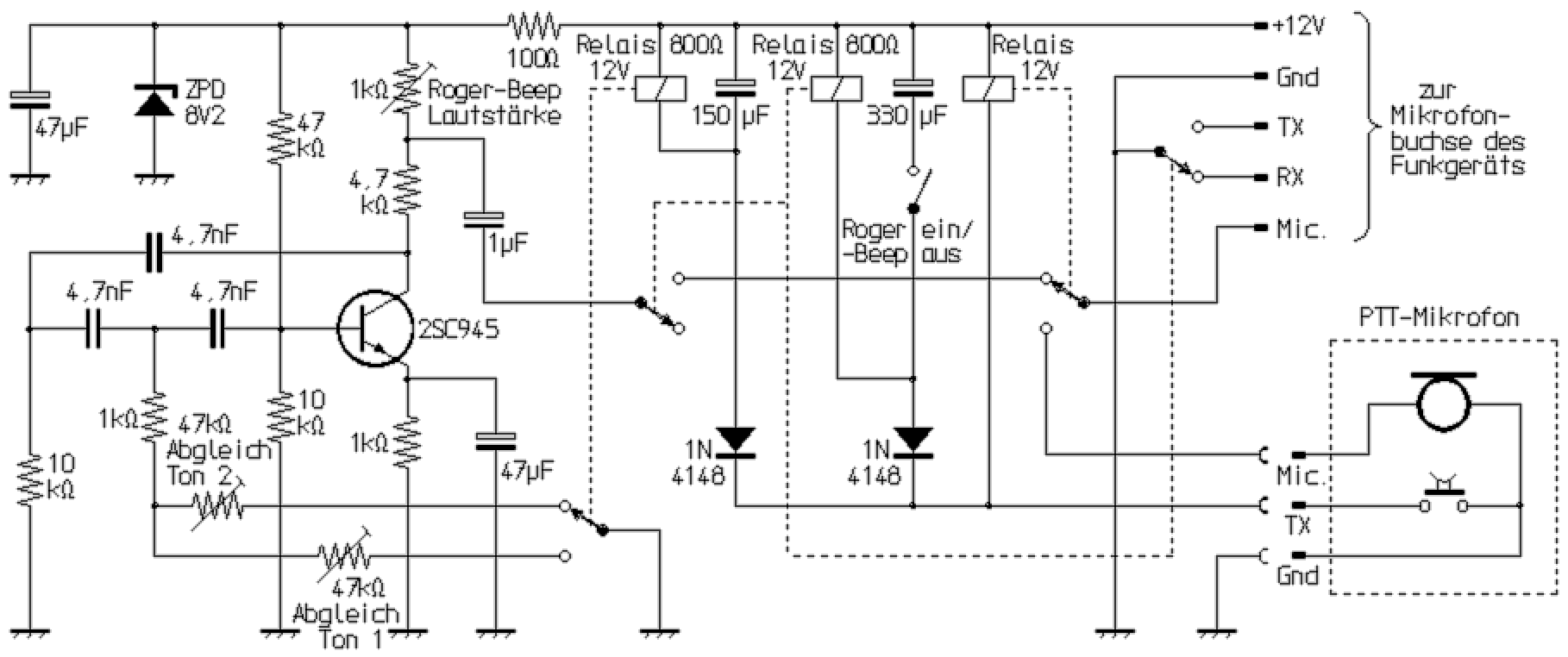
Einfache Schaltung zur Erzeugung eines Zweiton-Roger-Beeps

Dieser Zweiton-Roger-Beep eignet sich sehr gut zum Nachbau für Elektronik-Einsteiger, denn es werden nur wenige und dazu sehr unempfindliche Bauelemente benötigt.

Der 330µF-Elko bestimmt die Gesamtlänge des Roger-Beeps, der 150µF-Elko, nach wie langer Zeit der Ton umgeschaltet wird. Mit anderen Werten kann die Zeitdauer an eigene Wünsche angepasst werden. Auch lässt sich die Schaltung damit anpassen, wenn Relais mit abweichendem Spulenwiderstand verwendet werden.