+++ 73 DE DL4CS +++

CB-Funk-Oldie für 10m-FM

Umbau eines alten AM-CB-Funkgerätes für den 10m-FM-Amateurfunk

Zum Umbau eines solchen Gerätes sind vor allem zwei Dinge nötig: Zunächst wird der Frequenzbereich geändert, dann wird das Gerät Empfänger- und Senderseitig von AM-Modulation auf FM-Modulation umgerüstet. Hier wird der Umbau des abgebildeten M-511 Mobilgerätes, das in den 1970er-Jahren von DNT hergestellt wurde, beschrieben. Im Originalzustand wurde die 27-MHz-Sendefrequenz erzeugt, indem die Frequenz eines Quarzoszillators im 37-MHz-Gebiet mit einer solchen von ca 10,6 MHz gemischt wurde. Beim Empfänger, ein Doppelsuperhet, mischte der auch beim Senden benutzte Oszillator, der je nach eingestelltem Kanal auf 37,6, 37,65, 37,7 oder 37,75 MHz schwang, das Eingangssignal auf eine nicht fest liegende ZF von ca. 10,6 MHz. Diese wurde in Abhängigkeit vom jeweiligen Kanal mit den Quarzfreqeunzen 10,140, 10,160, 10,70 oder 10,180 MHz auf eine letzte ZF von 455 kHz gebracht. Das Blockschaltbild eines solchen Gerätes ist hier gezeigt:

Zum Ändern des Frequenzbereichs könnte man die 37 MHz-Quarze durch solche mit Frequenzen im 39- bis 40-Gebiet ersetzen. Nach Ändern der 27-MHz-Schwingkreise für 29 Megaherz wäre die Änderung des Frequenzbereichs im wesentlichen bereits erledigt. Zum Ändern der HF-Kreise müssen gegebenenfalls die Kreiskapazitäten ausgetauscht werden. Für die nur etwas höheren Frequenzen des 10m-Bandes ist normalerweise der nächst- oder übernächstniedrige Wert der E12-Reihe der passende, also z.B. 47pF oder 39pF anstelle von 56 pF. Ein simpler Praxistipp: In vielen Geräten genügt es auch, anstattdessen die Abgleichkerne herauszudrehen, in der Mitte durchzubrechen und dann jeweils die Kreise nur noch mit einer Kernhälfte abzustimmen.

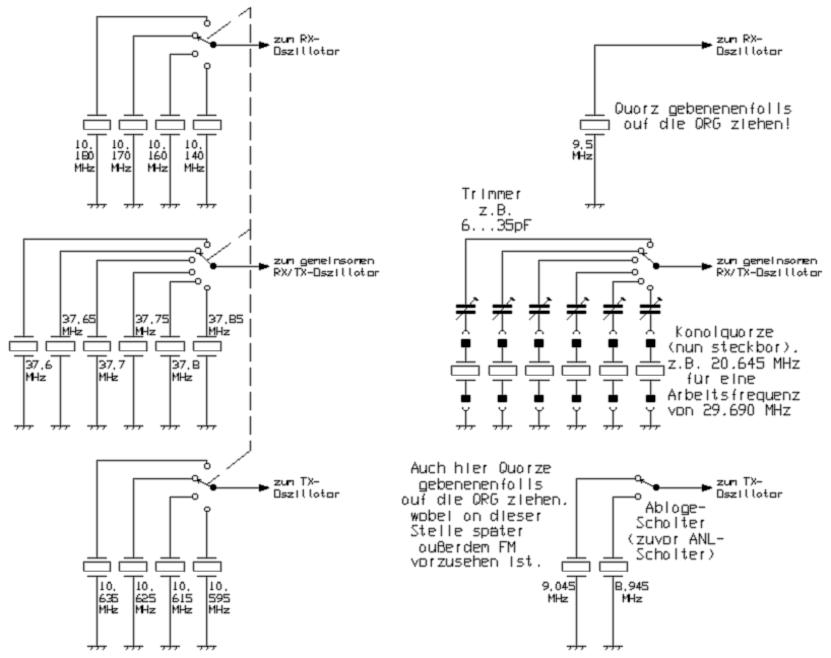
Der Umbau durch Wechseln der Quarze wird gewöhnlich daran scheitern, dass solche mit passenden Frequenzen nicht greifbar sind und eine Auftragsanfertigung den Kostenrahmen eines solchen Bastelprojektes sprengt. Eine einfache Möglichkeit bestand früher darin, den ersten Oszillator unterhalb der Eingangsfrequenz schwingen zu lassen. Hiermit ließen sich wesentlich leichter zu beschaffende 18-MHz-Quarze verwenden. Man gelangte dann in den Frequenzbereich von 28,6 MHz, wo seinerzeit auch AM-Betrieb gemacht wurde. Um solche Quarze benutzen zu können, musste der im Originalzustand im 37-MHz-Gebiet schwingende Oszillator wie nachfolgend gezeigt umgebaut werden:

Nachdem der ohnehin selten gewordene AM-Betrieb sich inzwischen oberhalb von 29 MHz abspielt und ich von vorn herein das Vorhaben hatte, das Gerät für den 10m-FM-Betrieb umzubauen, habe ich einen anderen Weg beschritten, indem ich die erste Zwischenfrequenz des Gerätes auf 9,045 MHz geändert habe. Zum Ummischen der ersten auf die zweite Zwischenfrequenz läßt sich dann ein 28,5-MHz-Oberton-Quarz verwenden, der auf der Grundwelle betrieben wird. Früher in billigen 10m-AM-Handfunkgeräten gebräuchlich, kann ein solcher Quarz auf der Grundwelle mit einem Serientrimmer normalerweise exakt auf eine Schwingfrequenz von 9,5 MHz getrimmt werden. Den beim Senden benötigten Quarz mit einem Frequenzabstand von 455 kHz erhält man mit einem in gleicher Weise zweckentfremdeten CB-Sendequarz für Kanal 15 (27,135 MHz/3 =9,045 MHz). Ein weiterer Quarz, der sich für Relaisbetrieb (100kHz-Ablage) auf eine Frquenz von 8,945 MHz trimmen läßt, war ursprünglich als CB-Empfängerquarz für Kanal 29 (27,295 Mhz – 455 kHz = 26,840 MHz) gedacht. Dass die Obertonfrequenz rechnerisch 5 kHz zu hoch liegt, ist kein Problem, weil der Quarz für FM-Modulation mit einer Kapazitätzdiode ohnehin mit einer Serienspule nach unten gezogen werden muss. In dem hier gezeigten Blockschaltbild des so in seinem Frequenzschema geänderten Gerätes ist bereits auch der Umbau für FM berücksichtigt:

Zweck der ganzen Aktion war es, dass nun CB-Doppelsuperquarze als Kanalquarze verwendet werden können, wie sie hier und da noch vorhanden sind und gelegentlich auch noch angeboten werden. Oft findet man sie auch in alten CB-Funkgeräten, vor allem der Marke Kaiser. Um sie benutzen zu können, muss der im 37-MHz-Gebiet arbeitende Oszillator auf den 20-MHz-Bereich umgebaut werden. Im Mustergerät waren dazu lediglich zwei Kondensatoren auf der Leiterseite der Platine anzulöten. Nach Abgleich des Oszillatorspulen-Kerns ist mit einem solchen Empfängerquarz für den CB-Kanal 14, er hat eine Frequenz von 20,625 MHz, Sende und Empfangs-Betrieb auf 29,670 MHz möglich! Jeder weitere Quarz ermöglich RX- und TX-mäßig Betrieb auf einem zusätzlichen Kanal, Relaisablage inbegiffen. Für 29,690 MHz benötigt man allerdings den etwas selteneren Quarz für Kanal 15A.

Das linke Bild zeigt das Verdrahtungs-Schema im Original-Gerät mit dem speziellen 23-Kanal-Stufenschalter. Rechts ist das Verdrahtungs-Schema nach dem Umbau gezeigt. Der 23-Kanal-Schalter wurde ausgebaut und durch einen gewöhnlichen Drehschalter mit sechs Schalt-Stellungen ersetzt.

Um das Gerät empfängerseitig FM-tauglich zu machen, muß dem ZF-Teil ein FM-Demodulator nachgeschaltet werden. Die NF-Leitung zwischen AM-Demodulator und Lautstärkepoti ist vom AM-Demodulator abzutrennen und anstattdessen mit dem NF-Ausgang des FM-Demodulators zu verbinden. Der empfangsmäßige Umbau für FM ist an anderer Stelle genauer beschrieben.

Für den FM-Sendebetrieb kann der Modulationsverstärker aus dem CB-Gerät benutzt werden. Dessen Ausgangsignal wird dazu über einen 10kOhm-Widerstand einer Kapazitätsdiode zugeleitet, die masseseitig in Serie mit dem 8,945- bzw. 9,045 liegt. Die Plusleitungen von TX-Treiber und -Endstufe werden vom Modulationstrafo abgetrennt und direkt an Plus gelegt, damit nicht weiterhin zugleich amplitudenmoduliert wird. An den FM- Anschluss kann simplerweise auch über ein 1-µF-Kondensator direkt ein Kohlemikrofon oder besser noch eine entsprechende transistorisierte Ersatzkapsel aus älteren Telefonen angeschlossen werden. In diesem Fall muss zusätzlich vom Verbindungspunkt Kapsel-Kondensator ein Widerstand (ca. 1 Kiloohm) an Plus gelegt werden.