+++ 73 DE DL4CS +++

Erlaubt: Mobilgeräte, Heimstationen und "Handquatschen"

Mit der Freigabe von 12 CB-Funkkanälen im Jahre 1975 wurde die Benutzung von drei Arten von Funkgeräten für Jedermann erlaubt: Geräte für den Kfz-Einbau, tragbare Geräte sowie Stationsgeräte. Voraussetzung für den legalen Betrieb war, dass das verwendete Gerät von der Fernmeldebehörde geprüft wurde und im Zusammenhang damit eine mechanisch ins Gehäuse eingeprägte Prüfnummer erhalten hatte. Für den Betrieb von Stationsgeräten musste zusätzlich eine Genehmigung bei der Post beantragt sowie eine monatliche Gebühr von 15 DM entrichtet werden. Sie trugen FTZ-Prüfnummern mit dem Prefix KF, gefolgt von einer laufenden Nummer und nach einem Schrägstrich von den letzten beiden Ziffern der Jahreszahl, in der die Typprüfung erfolgte. Die erste in Deutschland zulässige CB-Funk-Feststation war die Handic 12305 mit der FTZ-Nummer KF001/75. Die anmelde- und gebührenfreien Hand- und Autofunksprechgeräte hatten FTZ-Nummern mit dem Prefix PR27. Nach einem Bindestrich folgte auch hier eine laufende Nummer. Dann folgte wieder der Schrägstrich und vor den letzten beiden Ziffern der Jahreszahl stand der Buchstabe "P" (=portabel) für Handfunkgeräte oder "M" (=mobil) für Autofunkgeräte. Solchen Geräten war beim Kauf eine allgemeine Genehmigung beigefügt, auf der die wichtigsten Bestimmungen zusammengefasst waren. Sie musste beim Betrieb solcher Geräte stets mitgeführt werden.

Funkstationen fürs Heim: Die Feststationsgeräte


Bei Feststationsgeräten war die Hochfrequenz-Ausgangsleistung des Senders offiziell auf 500 Milliwatt begrenzt. Mit Ausstellung der Genehmigungsurkunde erhielten die Besitzer einen darin eingetragenen Funkrufnahmen, der beim Funkbetrieb regelmäßig zu nennen war. Funkverbindungen von Feststation zu Feststation waren eigentlich nicht erlaubt, da man hierfür das öffentliche Telefonnetz hätte nutzen können. An diese beiden Auflagen hielt sich jedoch - zumindestens in unserer Region - kaum einer.



Abbildung des Feststationsgeräts 12305 von Handic

Das Modell 12305 von Handic war das erste in Deutschland zulässige Feststationsgerät für den CB-Funk. Die aus einer für den US-amerikanischen Markt hervorgegangene Konstruktion war ursprünglich als 23-Kanal-Gerät für den skandinavischen Markt bestimmt. Anstelle von Kanal 23 hatte es den dort für kleine Wasserfahrzeuge bestimmten Notrufkanal 11A. Bei den in Deutschland zulässigen Geräten hatte der Kanalschalter eine mechanischen Sperre für 12 Kanäle.





Abbildung des Feststationsgeräts Meteor 5000 von DNT

Die Meteor 5000 von DNT war das zweite bei uns zugelassene Gerät für den stationären CB-Funk-Betrieb. Die in Deutschland endmontierten Geräte enthielten eigentlich für Autofunkgeräte bestimmte Import-Chassis, die auch in den Geräten DNT Kurier 5000 bzw. Kaiser AF-5000 Verwendung fanden. Die Geräte arbeiteten mit jeweils 12 Einzelquarzen für Sender und Empfänger. Sie hatten einen eingebauten Zweiton-Simultan-Selektivruf, der mit steckbaren Stimmgabeln bestückt werden musste.





Abbildung des Feststationsgeräts KF-9012D von Kaiser

Das dritte in Deutschland zulässige Feststationsgerät war die KF-9012D von Kaiser. Nahezu unverändert basierte das Gerät mit reduzierter Kanalzahl und Senderleistung eigentlich auf einem US-amerikanischen Feststationsgerät. Anstelle des 23-Kanalschalters der US-Version war ein Kanalschalter mit 12 Schaltstellungen eingebaut. Eine Besonderheit war die bei teureren US-Feststationsgeräten übliche Klappzahlen-Zeitschaltuhr.





Abbildung des Feststationsgeräts B-2012P von Zodiac

Die Zodiac B-2012P war das vierte in Deutschland erlaubte CB-Feststationsgerät. Ebenfalls auf einem US-amerikanischen Gerät basierend, war es wie die Handic 12305 in Europa zunächst für den skandinavischen Markt bestimmt, aber davon abweichend auch dementsprechend beschriftet. Auch hier war eine Zeitschaltuhr vorhanden. Der 23-Kanalschalter hatte eine mechanische Begrenzung für 12 Kanäle. Das Gerät hatte ein sehr schweres und robustes Gehäuse sowie einen besonders großen Lautsprecher.





Abbildung des Feststationsgeräts Pace CB-113 von Bowitz Elektronik

Die in Deutschland von der Firma Bowitz vertriebene Feststation CB-113 von Pace war eigentlich auch ein für den amerikanischen Markt bestimmtes Gerät, das bei uns in kaum veränderter Form angeboten wurde. Bei den Geräten mit KF-Nummer war lediglich die Sender-Ausgangsleistung von 3,5 auf 0,5 Watt gedrosselt. Außerdem war der Kanalschalter des mit Mischquarz-Synthesizer arbeitenden Gerätes mit einer mechanischen Sperre auf 12 Kanäle begrenzt und die für die Kanäle 17 bis 23 benötigten Quarze waren nicht eingebaut. Da sich die Sperre mit wenigen Handgriffen entfernen ließ, alle Quarzsockel für 23 Kanäle vorhanden waren und die Sendeleistung sich durch Überbrücken eines Widerstandes mühelos auf 3,5 Watt bringen ließ, bekam der Hersteller Auflagen zur Nachbesserung.





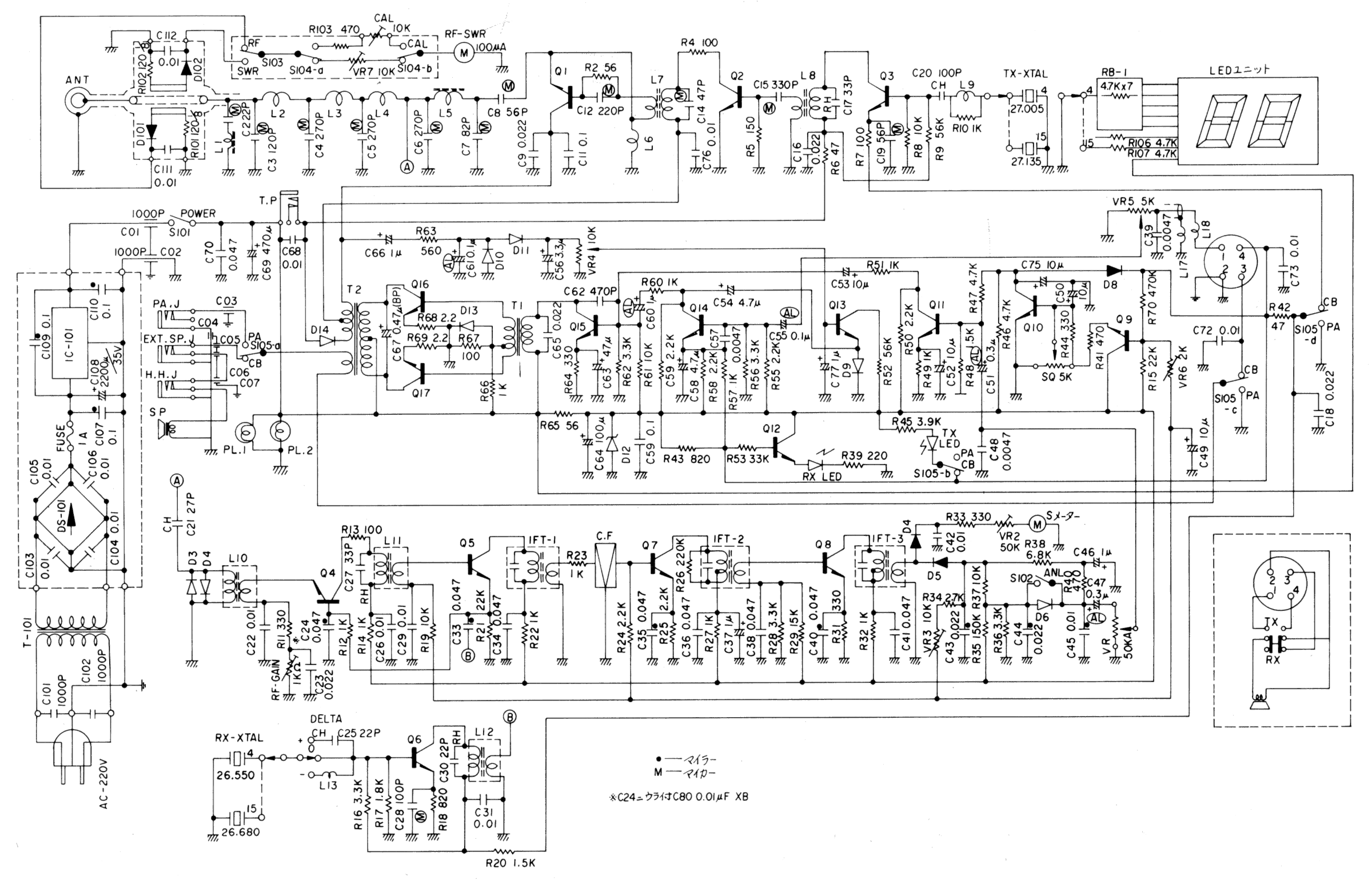
Abbildung des Feststationsgeräts Stratofon SF12 von Stabo

Auch die Feststation Stratofon SF12 Super von Stabo arbeitete mit einem Mischquarz-Synthesizer. Das speziell für den deutschen Markt entwickelte Gerät hatte bereits eine digitale Kanalanzeige und einen Kanalschalter mit lediglich 12 Schaltstellungen für die Kanäle 4 bis 15. Dennoch basierte der Innenaufbau auch hier auf einer eigentlich für den US-amerikanischen Markt bestimmten Konstruktion.





Abbildung des Luxus-Feststationsgeräts MFE2000 von Meier Funkelektronik

Die Feststation MFE-2000 wurde nur in kleiner Stückzahl hergestellt. Es handelte sich um eines der wenigen CB-Funkgerätemodelle, die vollständig in Deutschland entwickelt und hergestellt wurden. Der modulare Innenaufbau mit Epoxyd-Leiterplatten war sehr professionell. Dennoch arbeitete das Gerät mit Einzelquarzen und Einfachsuperhet-Empfänger mit einer Zwischenfrequenz von 455 kHz. Die Gehäuseabmessungen entsprachen exakt denen des ebenfalls in Deutschland hergestellten 2m-Amateurfunkgerätes Semco Terzo. Auch ähnelte die mechanische Chassiskonstruktion diesem Gerät.





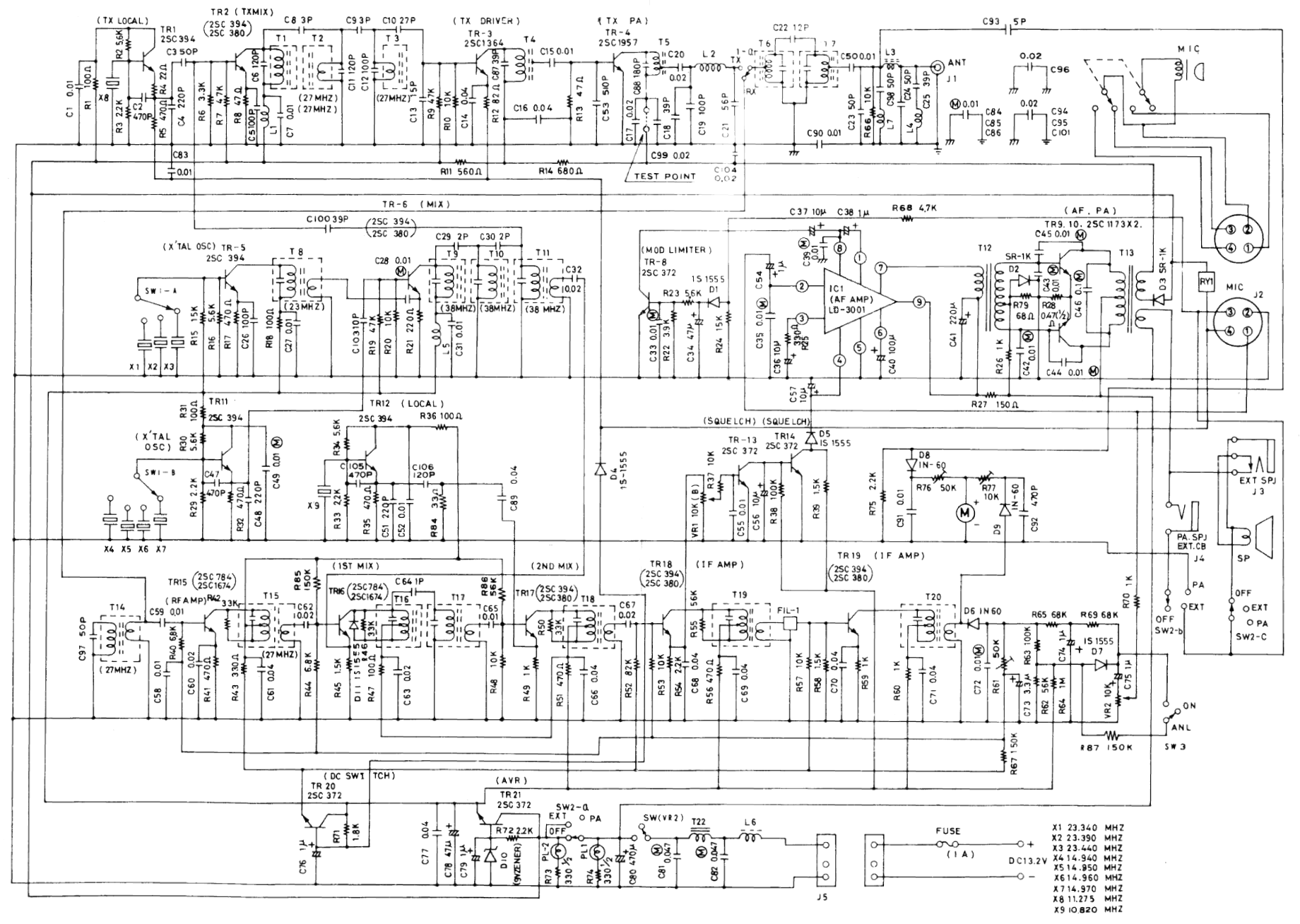
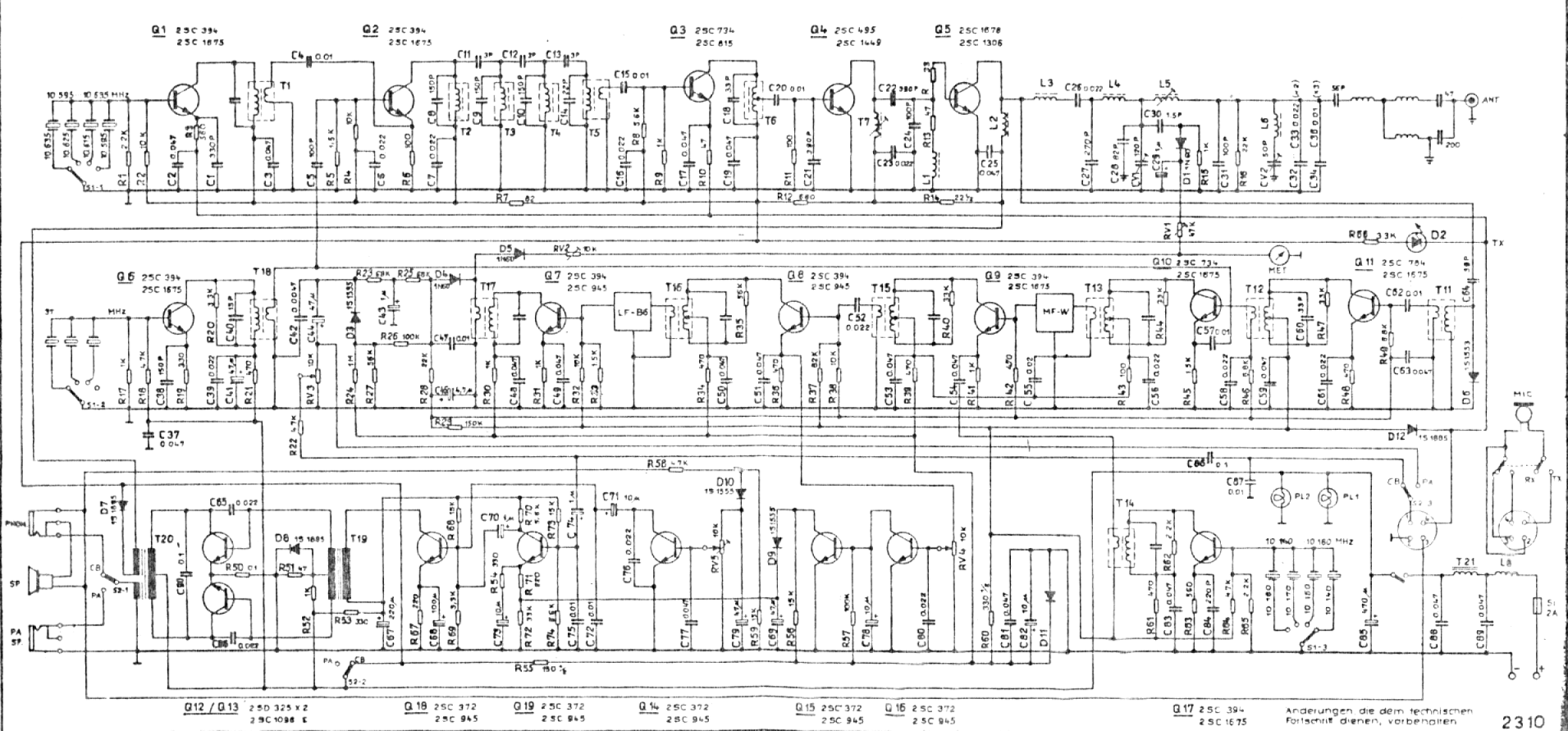
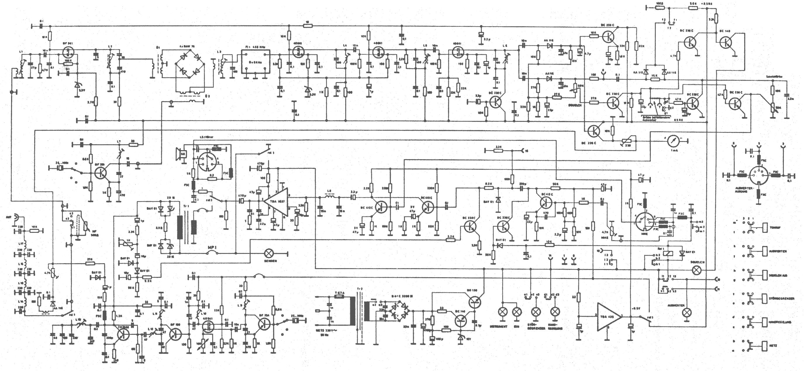
Schaltpläne erlaubter Feststationsgeräte mit KF-FTZ-Nummer




Sprechfunk fürs Auto: Die Mobilgeräte




Abbildung des Fahrzeugfunkgeräts Kurier 5000 von DNT

Das Modell Kurier 5000 von DNT war eines der ersten Fahrzeugfunkgeräte für den 1975 eingeführten Jedermannfunk im 27-MHz-Bereich. Für Insider war es zu diesem Zeitpunkt bereits ein alter Bekannter, denn als 6-Kanal-Gerät war es unter der Modellbezeichnung AF-5500 bereits seit 1967 erhältlich. Die Schaltung entsprach abgesehen vom dort vorhandenen Netzteil nahezu vollständig der des Feststationsgerätes Meteor 5000.





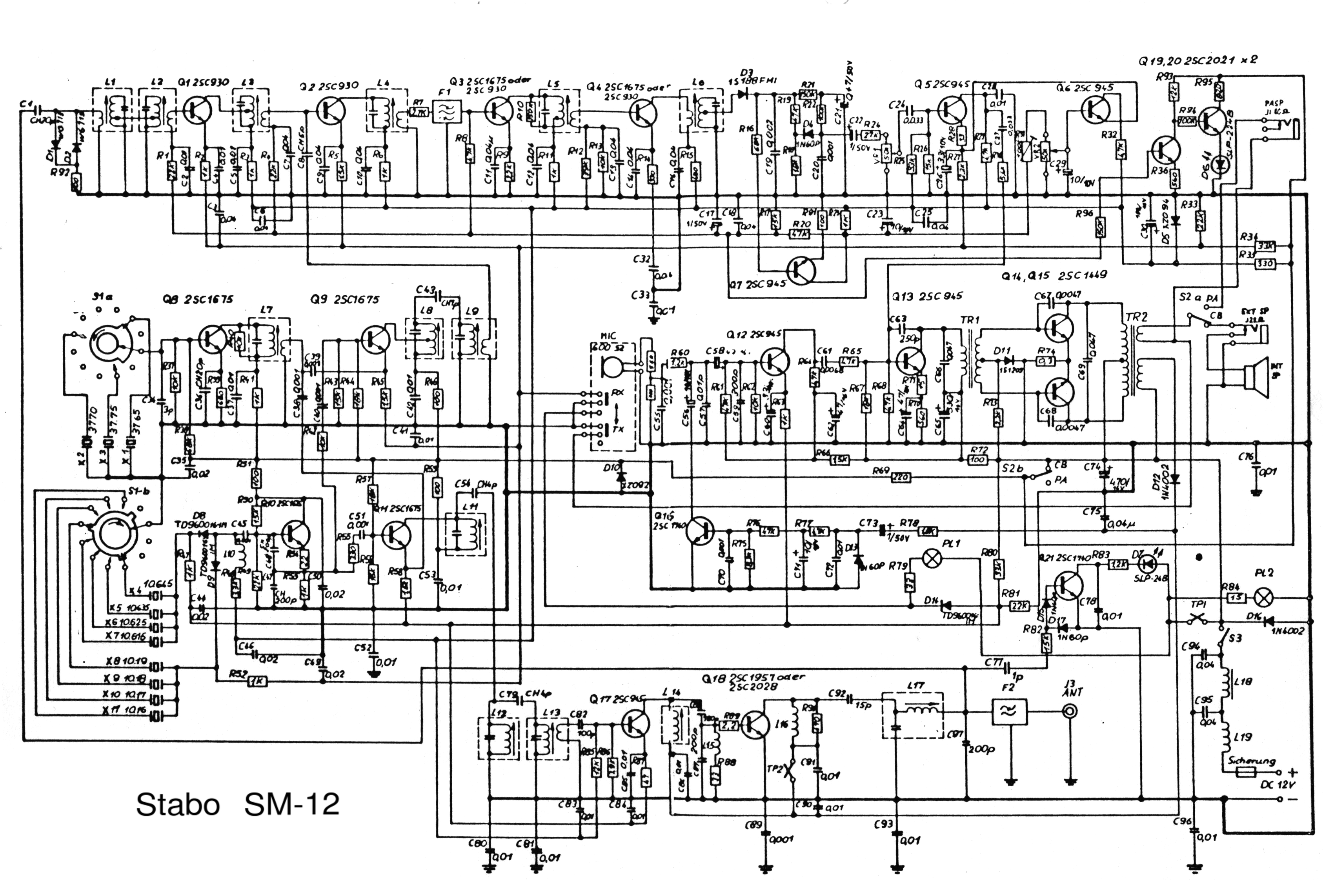
Abbildung des Fahrzeugfunkgeräts Stratofon M12 von Stabo

Das Fahrzeugfunkgerät Stratofon M-12 von Stabo hatte eine sehr ähnliche Schaltung, wie die ältere Sommerkamp TS-750, war aber moderner aufgebaut. Die mit Einzelquarzen arbeitende Schaltung mit Einfachsuperhet-Empfänger gehörte daher nicht zu den modernsten seiner Zeit, war dafür aber in den Details sehr ausgereift. Insbesondere unter den LKW-Fahrern erfreuten sich diese gut funktionierenden Geräte rasch großer Beliebtheit.





Abbildung des Fahrzeugfunkgeräts Minix MS-120 der Firma Richter & Co

Auch das Autofunkgerät Minix MS-120 der Firma Richter & Co war ein 12-Kanal-Gerät mit Einzelquarzen und Einfachsuperhet-Empfänger. Der Innenaufbau war nahezu identisch mit dem Modell Stratofon M12 von Stabo. Unter der Marke Lehnert wurde es bald preisgünstig über Handelsketten und Versandhäuser vertrieben und fand dadurch dann wesentlich größere Verbreitung.





Abbildung des Fahrzeugfunkgeräts WT-512 von Waltham

Das Mini-Autofunkgerät WT-512 von Waltham wurde oft wesentlich schlechter bewertet, wie die Stabo Stratofon M12. Es hatte aber nahezu die gleiche Schaltung, die hier nur gedrängter aufgebaut war. Es fehlten lediglich der Delta-Tune-Schalter und der RF-Gain-Regler. Außerdem konnte der Störbegrenzer hier nicht abgeschaltet werden. Die 6-Kanal-Version WT-500 unterschied sich von diesem Gerät nur durch den Kanalschalter und die auf identischer Platine nicht eingelöteten Quarzsockel für die weiteren 6 Kanäle. Mit anderem Design gab es auch die technisch weitgehend identischen Geräte Fieldmaster TC-2012 und Beston TS-3200.





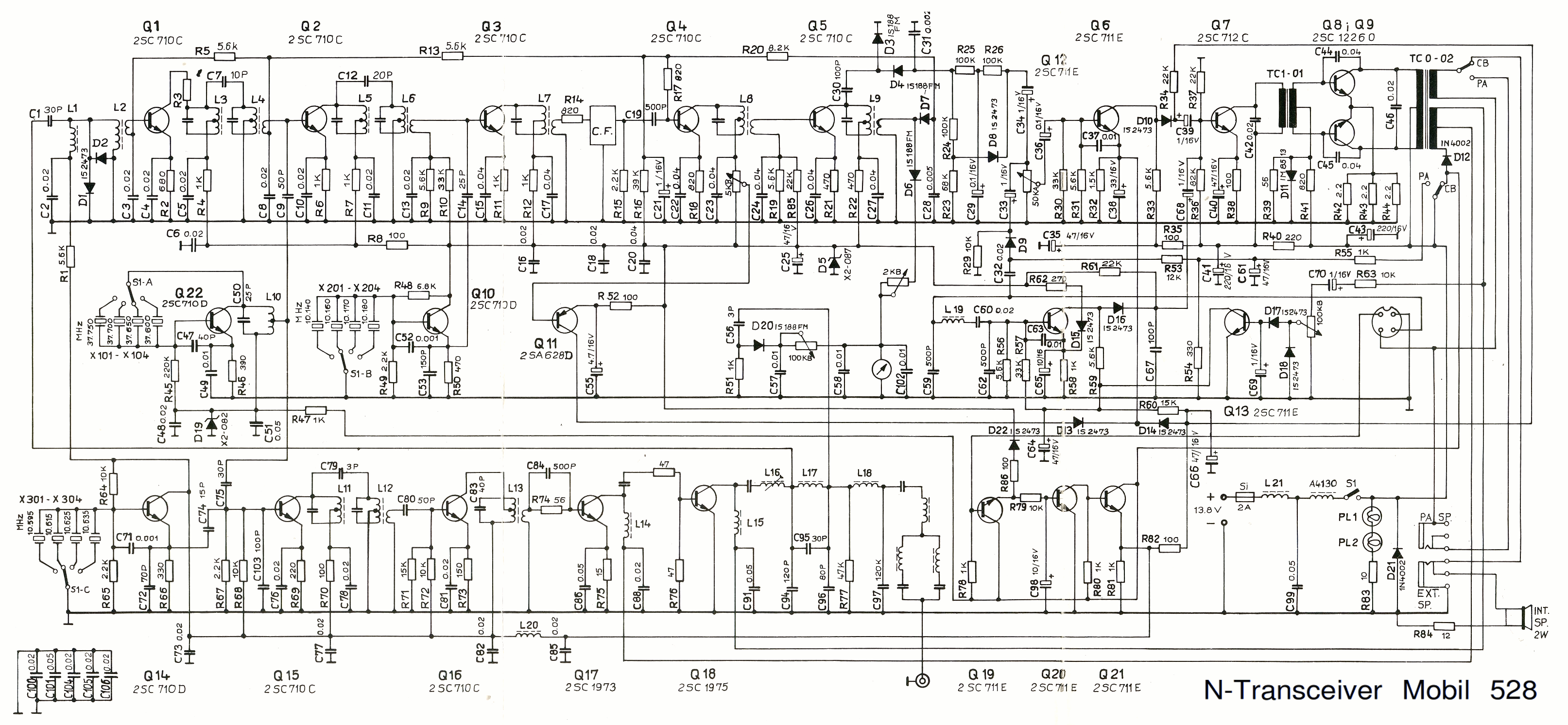
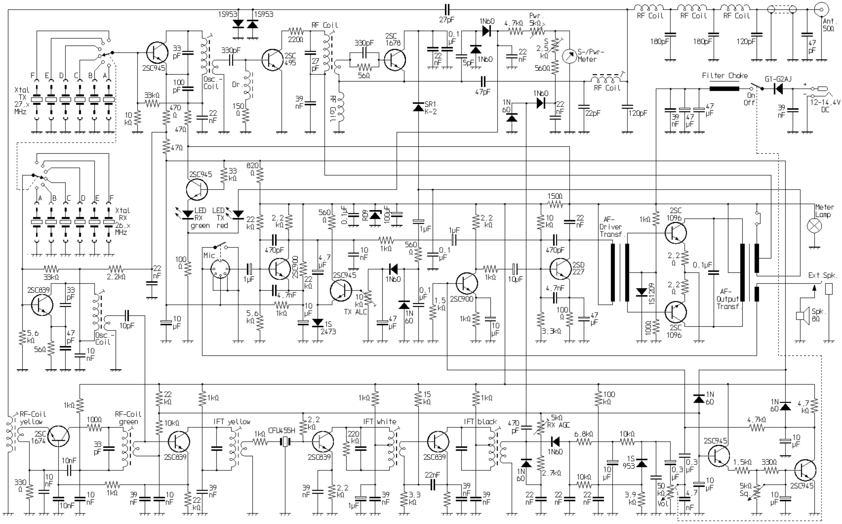
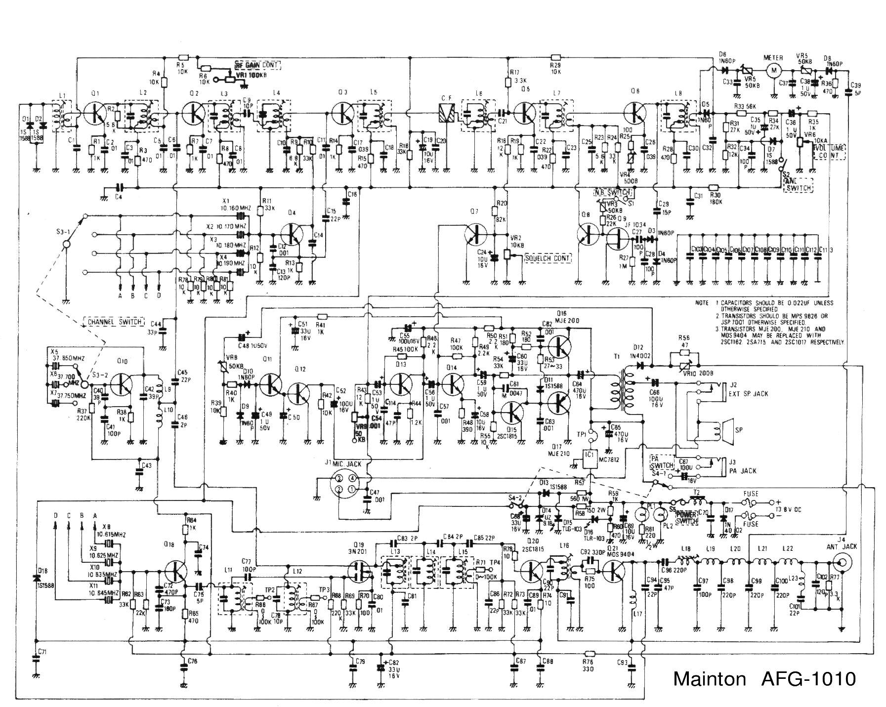
Schaltpläne erlaubter Fahrzeug-Funkgeräte mit PR27-FTZ-Nummer




Tragbare Funkgeräte für unterwegs: Die Handfunkgeräte

Abbildung des Handfunkgeräts Multifon Super 7 von Stabo

Das Handfunkgerät Multifon Super 7 wurde von Stabo paarweise im Set angeboten. Wohl eher nur als Spielzeug gedacht, hatte es eine Sendeleistung, die nur bei einem Bruchteil des zulässigen Wertes lag. Trotz Superhetempfänger kam die Schaltung dank einer ausgeklügelten Mehrfachnutzung mit nur sieben Transistoren aus. Die Geräte waren lediglich mit kombiniertem Ein-/Ausschalter und Lautstärkeregler ausgestattet, eine Rauschsperre war nicht vorhanden. Einkanalig ausgeführt, waren die Quarze immerhin steckbar, so dass durch Tauschen auf weniger belegte Kanäle ausgewichen werden konnte. Später in gleicher Optik als Modell Multifon Super 8 angeboten, wurde der ursprünglich nur aus einem Oszillator bestehende Sender mit einer Endstufe ergänzt. Mit immer noch deutlich kleinerer Leistung, wie zugelassen, konnte diese dennoch merklich gesteigert und vor allem die Modulationsqualität merkbar verbessert werden. Der große Verkaufserfolg dieser Multifon-Handfunkgeräte führte letztlich dazu, dass der ehemalige Spielzeughersteller Hans Kolbe KG mitsamt des Markennamens Stabo zum Funkgerätehersteller umgebaut wurde.





Abbildung vom Handfunkgerät HF-12 von DNT

Das Modell HF-12 von DNT war eines der ersten Handfunkgeräte mit PR27-FTZ-Nummer in Deutschland. Ohne nennenswerte Änderungen entsprach es dem bereits seit 1973 angebotenen Modell HF-5 mit K-FTZ-Nummer und war in der Anfangszeit das wohl verbreiteste derjenigen Jedermann-Handfunkgeräte mit dem maximal zulässigen Senderinput von zwei Watt. Die mit zwei schaltbaren Kanälen ausgestatteten Geräte waren mechanisch sehr solide gebaut. Da der Lautsprecher auch als Mikrofon diente, war die Modulation bei den meisten Exemplaren jedoch klanglich zu dunkel. Außerdem hatte der enthaltene Superhetempfänger kein keramisches Filter und bot daher keine gute Kanaltrennung.

Abbildung des Handfunkgeräts TS-510 von Sommerkamp

Auch das Modell TS-510GTE von Sommerkamp war zum Zeitpunkt der Einführung des Jedermannfunks bereits ein alter Bekannter. Mit K-FTZ-Nummer wurde es bereits vor 1970 ohne den Zusatz "GTE" angeboten, allerdings noch in einem etwas konservativeren Design. Eigentlich handelte es sich um Geräte des japanischen Herstellers Tokai, die fast identisch u.a. auch von Zodiac und Minix angeboten wurden. Die Geräte waren für drei schaltbare Kanäle ausgelegt und hatten dank keramischer Filter im Empfänger eine bessere Kanaltrennung. Durch einen Anpassübertrager war die Modulationsqualität durchaus befriedigend, obgleich auch hier der Lautsprecher beim Senden als Mikrofon diente.




Abbildung vom Handfunkgerät HF-13 von DNT

Das Modell HF-13 war das Spitzenmodell der Handfunkgeräte von DNT, hatte aber dennoch zunächst nur drei schaltbare Kanäle, die mit einzelnen Quarzen für Sender und Empfänger zu bestücken waren. Weil hier für den Sendebetrieb nicht der Lautsprecher, sondern eine separate Mikrofonkapsel verwendet wurde, war die mit diesem Gerät ezielte Modulationsqualität sehr gut. Unterstützt wurde das durch einen dreistufigen Sender, bei dem neben Senderendstufe auch die Treiberstufe moduliert wurde.

Abbildung des Handfunkgeräts Stratofon P3 von Stabo

Beim Modell Stratofon P3 von Stabo wurde der zuvor schon bei tragbaren Radioempfängern beliebte Millitary-Look aufgegriffen. Die Schaltung dieser dreikanaligen Geräte des japanischen Herstellers Asahi bot nichts besonderes: Zweistufiger Sender und Superhetempfänger, aber immerhin mit Keramikfilter im ZF-Verstärker. Eine Besonderheit für ein Handfunkgerät war seinerzeits aber, dass das eingebaute Drehspulinstrument nicht nur als Batterieanzeige diente, sondern beim Empfang auch die Signalstärke anzeigte. Mit fast gleichem Design wurden diese Geräte in anderen Ländern ebenfalls angeboten, allerdings unter anderen Markennamen. Das danach erschienende Modell Stratofon P6 mit 6 Kanälen war technisch identisch.




Abbildung des Handfunkgeräts SH702D von PEWE (Shinwa)

Dieses japanische 6-Kanal-Handfunkgerät von Shinwa wurde unter der Modellbezeichnung SH-702d in Deutschland von dem ehemaligen Sommerkamp-Entwicklungsingeneur Peter Weber eingeführt und löste aufgrund des professionellen Designs ein großes Echo in der Fachpresse aus. Das Schaltungskonzept bot mit seinem Einfachspuperhet-Empfänger wenig neues. Zukunftsweisend war aber das an der Rückseite angebrachte Bateriefach, das mit einem Drehknopf in Sekundenschnell gelöst und bedestigt werden konnte. Vorgesehen war der Betrieb mit acht 1,5-Volt-AA-Batterien oder neun 1,2-Volt-AA-Akkus. Für erstere befand sich im Lieferumfang eine sogenannte Blindzelle.

Abbildung des Handfunkgeräts CBX-12 von Kaiser

Das Handfunkgerät CBX-12 von Kaiser war eines der ersten, das 12 schaltbare Kanäle hatte. So ermöglichte es den Funkbetrieb auf sämtlichen damals in Deutschland zugelassenen CB-Funkkanälen. Es hatte eine herkömmliche Schaltung mit Einfachsuperhet-Empfänger. Mit recht gedrängtem Aufbau, einem recht großem Gehäuse und in der Gehäuserückwand untergebrachten Batteriehaltern wurde der Platz für die insgesamt benötigten 24 Quarze geschaffen, die in Steckhalterungen untergebracht wurden. Auch bei diesem Gerät war alternativ Akku-Betrieb oder - mit einer Blindzelle - der Betrieb mit 1,5-Volt Trockenbatterien vorgesehen.




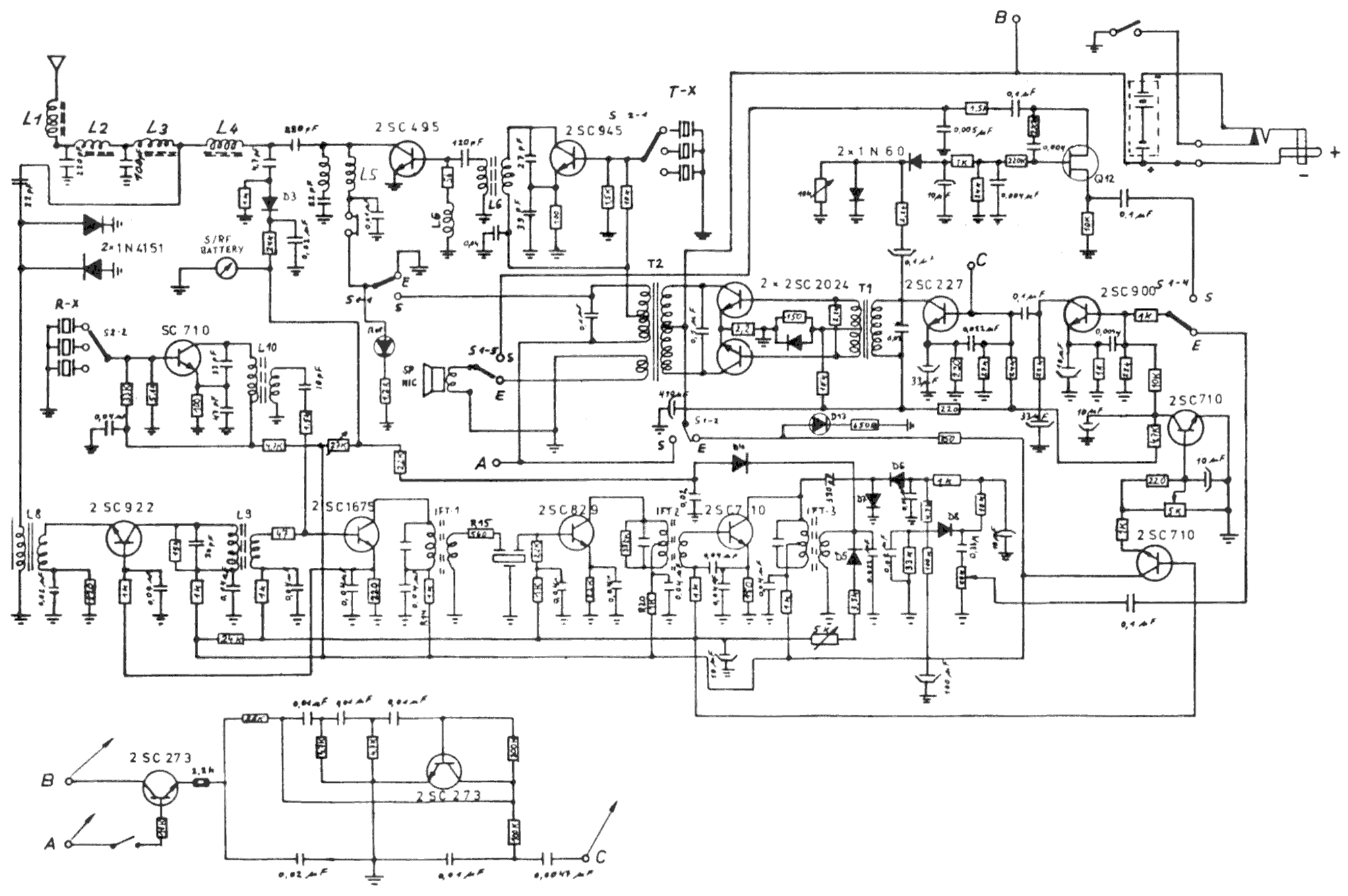
Schaltpläne erlaubter Handfunkgeräte mit PR27-FTZ-Nummer