+++ 73 DE DL4CS +++

USA: Geburtsland des CB-Funks

Nach dem Ende des zweiten Weltkriegs entwickelte sich international ein großes Interesse an zivilen Einsatzmöglichkeiten von Radiotechnik und Elektronik. Viele, die als Soldat gedient hatten, waren mit den sogenannten Transceivern in Berührung gekommen. Bei diesen überwiegend für den transportablen Einsatz bestimmten und daher vergleichsweise handlichen Funkanlagen waren Sender und Empfänger in einem Gerät vereinigt. Für Sprechfunk ausgelegt, sendeten sie automatisch auf der selben Frequenz, auf die der Empfänger abgestimmt wurde. Ermöglicht wurde dies durch einen mit einer Röhre aufgebauten Geradeausempfänger, welcher durch einen mehrpoligen Umschalter auch als einstufiger Sender betrieben werden konnte. So bestimmte ein und der selbe Schwingkeis sowohl beim Empfangsbetrieb als auch beim Senden die Betriebsfrequenz. Der mit einer weiteren Röhre bestückte Verstärker für die Hörkapsel diente beim Senden als Modulator.

Da die Geräte selbst für Laien leicht zu bedienen waren, genügte anstelle einer umfangreichen Ausbildung zum Funkoffizier eine wesentlich weniger umfangreiche Einweisung. Im wesentlichen galt es, die Antenne zu montieren bzw. auszuziehen, die Stromversorgung sicherzustellen, die Betriebsfrequenz einzustellen und zum Senden den dafür vorgesehenen Schalter zu betätigen. Im Gegensatz zu den Kurzwellenanlagen waren diese Gerätschaften für die Kommunikation über kleine Entfernungen bestimmt und arbeiteten daher zumeist im Gebiet der niedrigeren VHF-Frequenzen bis etwa 52 MHz bzw. mitunter auch im oberen Kurzwellenbereich. Bereits gegen Ende der 1930er Jahre war das US-amerikaniche Millitär in größerem Umfang mit solchen Geräten ausgestattet worden. Große Verbreitung fand dort das Modell BC222, welches wie ein Rucksack am Rücken getragen wurde.

Schaltplan eines mit zwei Röhren arbeitenden Ultrakurzwellen-Selbstbautransceivers

Infolge der simplen Funktionsweise eignete sich soetwas auch hervorragend für den Selbstbau. Nach dem Krieg gab es daher in Amateurfunk-Magazinen diverse Veröffentlichungen mit Schaltplänen und Baubeschreibungen für in dieser Weise aufgebaute Geräte. Zumeist wurde dabei das Grundkonzept des BC222 übernommen und an für den Amateur verfügbare Bauelemente angepasst. Man legte die Geräte zunächst für das 10m- oder das 6m-Band aus. Mit dem Aufkommen der TV-Geräte waren vor allem mit den für das UHF-Gebiet geeigneten Röhren bald auch Bauelemente verfügbar, die einen preisgünstigen Aufbau für Frequenzen bis in das UHF-Gebiet hinein ermöglichten. Anstelle eines herkommlichen Schwingkreises trat in der Transceiver-Schaltung nun ein einfach nachzubauender Rohr- oder Topfkreis. Der einfache Aufbau von solchen Transceivern lud Bastler ohne Amateurfunklizenz geradezu dazu ein, solche Geräte für nahezu beliebige Frequenzen ab etwa 25 MHz bis über 500 MHz nachzubauen und ohne Genehmigung außerhalb der Amateurfunkbereiche zu betreiben.

Technologisch lagen damit längst auch alle Voraussetzungen vor, industriell hergestellte Funkgeräte zu einem für jedermann erschwinglichen Preis anbieten zu können. Infolge der außerhalb von Ballungsräumen sehr dünn besiedelten Gebiete, die zumeist noch keine Anbindung an irgendwelche Fernsprechnetze hatten, gab es in den USA ein ausgesprochen großes Interesse an den neuen drahtlosen Kommunikations-Möglichkeiten. Es gründeten sich Clubs und Gesellschaften, mit dem Ziel, einen „Bürgerfunk“ zu etablieren. Da hier kompakte Antennen verwendet werden konnten und weniger mit Störungen zu rechnen war, gab es viele Befürworter, einen solchen im UHF-Gebiet einzurichten. Dem stand der Nachteil kleinerer Reichweiten im Bereich der optischen Sicht gegenüber. Tatsächlich wurden im Bereich von 460 bis 470 MHz arbeitende Geräte in den USA ab 1948 offiziell erlaubt. Hier gab es in die zwei Genehmigungsklassen A und B eingruppierte Gerätearten. Für die meisten Privatpersonen waren nur die einfacheren solcher UHF-Funkgeräte erschwinglich. Mit bald zunehmender Anzahl von Stationen war mit der hier eingesetzten einfachen Technik, vor allem aufgrund der schlechten Trennschärfe der überwiegend nach dem Superregenerativprinzip arbeitenden Einkreisempfänger, jedoch bald nicht mehr viel anzufangen. Um in einem engen Frequenzband mehrere Funkgespräche gleichzeitig führen zu können, brauchte man Superhet-Empfänger. Jene waren für die verwendeten Wellenlängen von etwa 70 Zentimetern zwar durchaus realisierbar, aber seinerzeit noch mit erheblichem Aufwand verbunden, was die hohen Preise wirklich brauchbarer Geräte erklärte. Zugleich wurde der UHF-Bereich für professionelle Anwender immer interessanter. Es zeichnete sich daher ab, dass sich die aufwendiger gebauten Geräte durchsetzen und kommerzielle Nutzer die Privatanwender verdrängen würden.

Innenansicht eines frühen CB-Funkgerätes für den 27-MHz-Bereich, das mit Röhren bestückt war

 

Für den Jedermannfunk schwand infolge der zu erwartenden größeren Anschaffungskosten ohne nennenswerte Reichweiten-Vergrößerungen das Interesse an den UHF-Geräten. Größeren Anklang fand eine ähnliche Technik, wie sie von den Kurzwellenamateuren verwendet wurde. Dies führte 1958 zur offiziellen Einführung der 27-MHz-Geräte der Genehmigungsklasse D und damit dessen, was wir heute als CB-Funk kennen. Für diesen Frequenzbereich ließen sich Funkgeräte überwiegend mit Bauteilen herstellen, die zur Herstellung von Rundfunkempfängern für Mittel- und Kurzwellen vorgesehen waren *). So stellte die allgemeine Verwendung von Superhetempfängern keine große Hürde mehr dar. Für die Senderendstufen waren im 27-MHz-Gebiet außerdem viele NF-Endröhren noch sehr gut zu gebrauchen. Folglich konnten hierfür leistungsfähige Funkgeräte zu deutlich niedrigeren Preisen angeboten werden. So kam es, dass in diesem Frequenzbereich 23 Kanäle für den CB-Funk bereitgestellt wurden. Diese entsprachen schon damals frequenzmäßig unseren heutigen CB-Kanälen 1 bis 23:

Kanal  1: 26,965 MHz
Kanal  2: 26,975 MHz
Kanal  3: 26,985 MHz
Kanal  4: 27,005 MHz
Kanal  5: 27,015 MHz
Kanal  6: 27,025 MHz
Kanal  7: 27,035 MHz
Kanal  8: 27,055 MHz
Kanal  9: 27,065 MHz
Kanal 10: 27,075 MHz
Kanal 11: 27,085 MHz
Kanal 12: 27,105 MHz
Kanal 13: 27,115 MHz
Kanal 14: 27,125 MHz
Kanal 15: 27,135 MHz
Kanal 16: 27,155 MHz
Kanal 17: 27,165 MHz
Kanal 18: 27,175 MHz
Kanal 19: 27,185 MHz
Kanal 20: 27,205 MHz
Kanal 21: 27,215 MHz
Kanal 22: 27,225 MHz
Kanal 23: 27,255 MHz

 

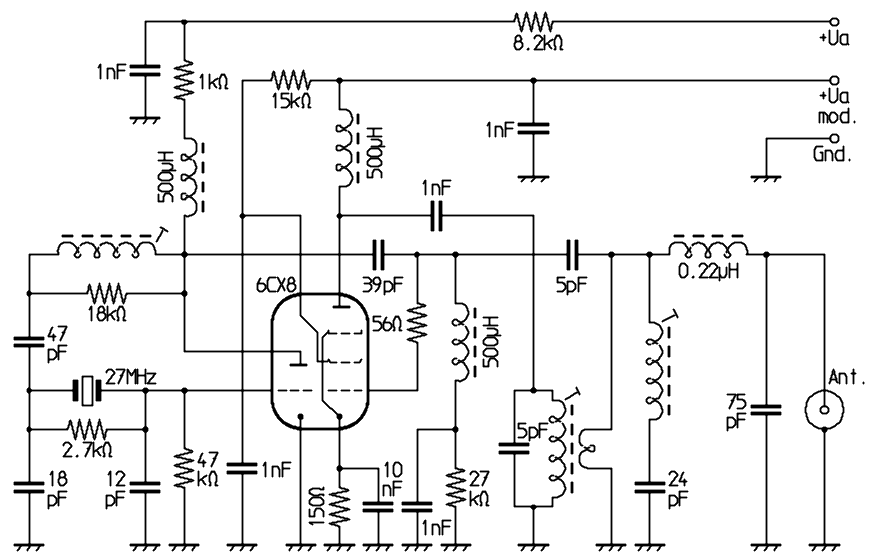
Schaltplan-Ausschnitt von einer röhrenbestückten CB-Funkstation, welcher den zweistufigen Sender mit einer Verbundröhre zeigt

Da die vorgegebenen Sendefrequenzen der 27-MHz-Kanäle aufgrund der Zulassungsbestimmungen mit hoher Präzision einzuhalten waren, führte kein Weg daran vorbei, die Sender mit Quarzsteuerung zu betreiben. Auch wegen der deutlich kleineren Bandbreite der Superhetempfänger und dem Kanalabstand von 10 Kilohertz kam es nun auf eine hohe Genauigkeit der Sendefrequenz an. Doch die benötigten Schwingquarze waren sehr teuer. So dachte zunächst kaum jemand daran, Funkgeräte zu verwenden, mit denen man auf allen 23 Kanälen hätte senden können. Zu jener Zeit waren Funkgeräte schwere Apparate, die vollständig mit Röhren bestückt waren. Die in diesen Geräten eingebauten Superhet-Empfänger waren zunächst bei sehr vielen der angebotenen CB-Funkgeräte kontinuierlich abstimmbar. Die Empfangsfrequenz konnte also wie bei einem alten Radio mit einem Abstimmknopf eingestellt werden, und zwar mindestens im Bereich von 26,96 bis 27,26 MHz. So konnte man, ohne dafür Quarze zu benötigen, immerhin alle 23 Kanäle empfangen. Viele Funkgeräte hatten einen Sender mit fünf, manchmal auch sechs Quarz-Steckplätzen, so dass mittels eines Drehschalters an der Frontseite zwischen einer entsprechenden Anzahl von Sendekanälen umgeschaltet werden konnte. Um alle Steckplätze mit Quarzen zu bestücken, musste etwa ebensoviel Geld investiert werden, wie für ein komplettes der älteren Funkgeräte mit Superregenerativ-Empfänger. Weniger komfortable der neuen 27-MHz-Apparate hatten lediglich einen Quarz-Stecksockel, der an der Frontplatte untergebracht war. Hier wurde zum Wechsel der Sendefrequenz einfach der jeweils passende Quarz in den Sockel gesteckt. Um den Empfänger auf die eigene Sendefrequenz abzustimmen, gab es bei den Geräten mit kontinuierlich einstellbarem Emfänger meistens einen Schalter mit der Beschriftung „Spot“. Hiermit schaltete man lediglich den Sender-Oszillator ein, die Endstufe des Senders blieb dabei stromlos. So wurde nichts ausgesendet und man konnte auf der eigenen Empfängerskala den richtigen Punkt finden, auf den abzustimmen war, um auf dem selben Kanal zu hören, auf dem man sendete.

Frontansicht des röhrenbestückten CB-Funk-Stationsgerätes Knight 2500, das über einen durchstimmbaren Empfänger und einen 6-Kanal-Sender mit Quarzsteuerung verfügte

Viele der seinerzeit angebotenen Funkgeräte wurden mit einem mechanischen Zerhacker versehen. Dieser polte eine angeschlossene Gleichspannung im Niedervoltbereich periodisch um, um die so erzeugte Wechselspannung herauf zu transformieren. So ausgerüstet, waren die Geräte nicht an das 117-Volt-Wechselstromnetz gebunden, sondern konnten auch an Bord von Fahrzeugen oder in abgelegenen Gebieten ohne Wechselstromnetz mit Akkumulatoren betrieben werden. Der neue CB-Funk fand nicht nur großen Anklang bei Menschen, die sich aus reiner Begeisterung für die Technik dafür interessierten. Dadurch, dass die Geräte auch in Fahrzeugen betrieben werden konnten, war dieses neue Kommunikationsmittel auch für Landwirte, Förster, Handwerker, Fischer und vor allem für LKW-Fahrer sehr attraktiv. Während der Fahrt war aber die recht umständliche Bedienung mit Spot-Schalter und separater Empfänger-Abstimmung problematisch. Einige Hersteller versahen ihre Geräte daher mit zusätzlichen Quarzsteckplätzen für Empfänger-Festfrequenzen. Die meisten Nutzer wollten aber zumindestens beim stationären Betrieb auf ihren abstimmbaren Empfänger nicht verzichten. Immerhin bot jener auch die Möglichkeit, mit Stationen zu kommunizieren, die nicht über die selben Sendequarze verfügten, indem auf unterschiedlichen Frequenzen gesendet und die Empfänger entsprechend versetzt abgestimmt wurden. Mit rasch zunehmender Belegung der CB-Frequenzen wurde außerdem der Vorteil geschätzt, den Empfänger etwas neben die eigentliche Kanalfrequenz abstimmen zu können, um damit Nachbarkanal-Störungen etwas zu vermindern. Diese Gewohnheit amerikanischer CB-Funker dürfte der Hauptgrund sein, weshalb viele spätere US-Funkgeräte mit einem sogenannten „Delta-Tune“-Regler oder -Schalter zur Empfänger-Feinverstimmung ausgestattet wurden. Einfachere Fünfkanal-Geräte, bei denen der Empfänger nur mit Quarzsteuerung betrieben werden konnte und nicht mit einer Abstimm-Möglichkeit ausgestattet war, waren zunächst nur dann interessant, wenn die Kommunikation auf fest vereinbarten Kanälen stattfinden sollte. Aufgrund ihrer kleineren Abmessungen ließen jene Geräte sich aber besser in Fahrzeugen montieren. Sie waren daher vor allem bei LKW-Fahrern beliebt, die meistens den Kanal 19 verwendeten und lediglich für Notrufe auf den dafür reservierten Kanal 9 umschalteten.

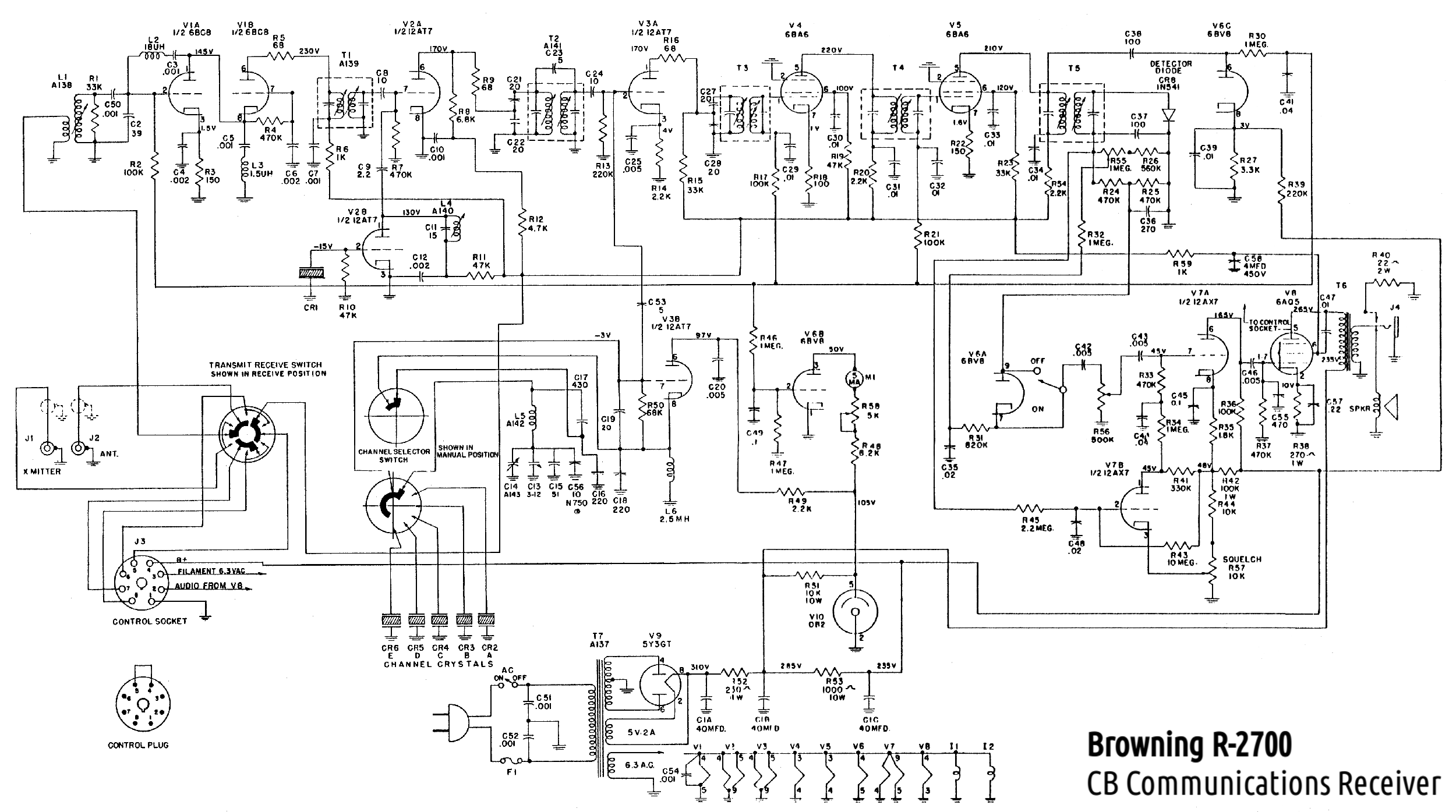
Frontansicht des röhrenbestückten CB-Funk-Empfängers Browning R-2700, mit dem sämtliche damaligen CB-Kanäle empfangen werden konnten

 

Frontansicht des zum R-2700 passenden Röhrensenders mit Quarzsteuerung für 23 Kanäle, um damit eine vollständige CB-Funkstation zu erhalten

In den USA benötigten Benutzer von CB-Funkgeräten bis Anfang der 1980er Jahre eine personenbezogene Genehmigung der amerikanischen Fernmeldebehörde FCC. Ihnen wurden in Bezug auf das benutzte Equipment recht viele Freiheiten eingeräumt. Grundsätzliche Regeln, wie etwa die Einhaltung der damals maximal zulässigen Sendeleitung von 3,5 Watt, wurden jedoch sehr restriktiv durchgesetzt. Wer Geräte benutzte, die außerhalb der 23 erlaubten Kanäle senden konnten, musste ebenso mit empfindlichen Strafen rechnen, wie Benutzer von sogenannten Nachbrennern zur Erhöhung der Sendeleistung. Reglementierungen gab es im wesentlichen nur in Bezug auf die benutzten Sender. Sofern die diesbezüglichen Regeln eingehalten wurden, konnten auch Stationen verwendet werden, die ähnlich wie damalige Amateurfunkstationen aus getrenntem Sender und Empfänger bestanden. Verbreitung fanden hier vor allem die Produkte der Marken Browning und Demco. Von diesen wurden zunächst quarzgesteuerte 23-Kanal-Sender für die Modulationsart AM und dazu passende Empfänger angeboten. Wie bei den in vielen kompletten Funkgeräten enthaltenen Empfängern, war auch hier ein Abstimmknopf zur kontinuierlichen Frequenzabstimmung mittels VFO vorhanden. So konnten alle CB-Kanäle sowie bei einigen Geräten auch die in den USA damals für Betriebsfunkzwecke genutzten Frequenzen bis 27,595 MHz empfangen werden. Neben dem Netzteil war bei solchen Funkanlagen mitunter sogar der Modulationsverstärker ein eigenständiges Gerät. Später kamen Modelle heraus, mit denen auch der Betrieb in der Modulationsart SSB möglich war. Vorgabe der FCC war dafür, dass eine PEP-Leistung von 12 Watt nicht überschritten werden durfte.


Abbildung des transportables CB-Funkgeräts Vocaline Commaire PT27 mit angeschlossenen PTT-Handmikrofon, welches mit Ausnahme des Sender volltransistorisiert war und das über einen AM-Rundfunk-Empfangsteil verfügte

Etwa ab 1960 fand der erst 1948 erfundene Transistor immer mehr Verbreitung in der Radiotechnik. Auch in CB-Geräten wurden daher immer häufiger Transistoren eingesetzt, jedoch zunächst nur im Empfänger. Während sich für die in CB-Geräten in der Regel auch als Modulator benutzte NF-Endstufe brauchbare Transistoren recht schnell in den Lieferprogrammen der Halbleiterindustrie fanden, bereitete die Herstellung von Leistungstransistoren für Sender zunächst noch größere Schwierigkeiten. So gab es zunächst Geräte, bei denen der Empfänger und der Modulationsverstärker schon transistorisiert, der Sender aber noch mit Röhren bestückt war. Inzwischen gab es für den Batteriebetrieb entwickelte Miniaturröhren für kleinere Betriebsspannungen und mit geringerem Stromverbrauch. So wurden tragbare CB-Funkgeräte mit hochwertigen Superhetempfängern bei kleineren Abmessungen und geringerem Gewicht möglich, als sie die frühen Transceiver mit Superregenerativ-Empfänger aufwiesen. Einige solcher Geräte waren zusätzlich auch mit einem Radio-Empfangsteil ausgestattet.

Unter den CB-Funk-Nutzern gab es in den USA zunächst eine große Skepsis gegenüber den neuen Transistorgeräten. Lediglich Handfunkgeräte, welche sich mit Röhren so klein und leicht nicht herstellen ließen, fanden größere Akzeptanz. Mit der dennoch zunehmenden Verbreitung der Transistortechnik eroberten sich Geräte japanischer Produktion zunächst bei Transistorradios und bald auch im Bereich der Funktechnik im rasanten Tempo Markanteile. Zunächst waren es sehr einfach gehaltene Handfunkgeräte, die aus Japan kamen, doch auch Mobil- und Stationsgeräte sowie aufwändigere Handfunkgeräte ließen nicht lange auf sich warten. Japan war schon vor dem 2. Weltkrieg insbesondere im Bereich der Radiotechnik ein technologisch hoch entwickeltes Land gewesen. Aufgrund der Atombomben-Abwürfe schwer angeschlagen, setzte das Land nach dem Krieg voll und ganz auf die Produktion von Gütern für den zivilen Bedarf und insbesondere auf den Export von technischen Artikeln. Während CB-Funkgeräte zuvor fast nur in den USA hergestellt worden waren, suchten die heimischen Hersteller insbesondere wegen der niedrigeren Lohnkosten Kooperationen mit japanischen Herstellern, um ihre Geräte zunehmend dort produzieren zu lassen. Es sollte kaum ein Jahrzehnt dauern, bis in der ersten Hälfte der 1970er Jahre CB-Funkgeräte japanischer Herkunft in den USA den Markt dominierten.

Frontansicht des in Japan hergestellten Volltransistor-CB-Funkgerätes Sharp CBT-7 mit durchstimmbarem Empfänger und quarzgesteuertem Empfänger

*) In den USA gab es keinen Langwellen-Rundfunk, der UKW-Rundfunk hatte zu dieser Zeit noch kaum Bedeutung.


Schaltpläne typischer CB-Geräte aus den USA bis Anfang der 1970er Jahre


  • UHF-Sende-Empfänger Vocaline JRC-425 (Röhrengerät)
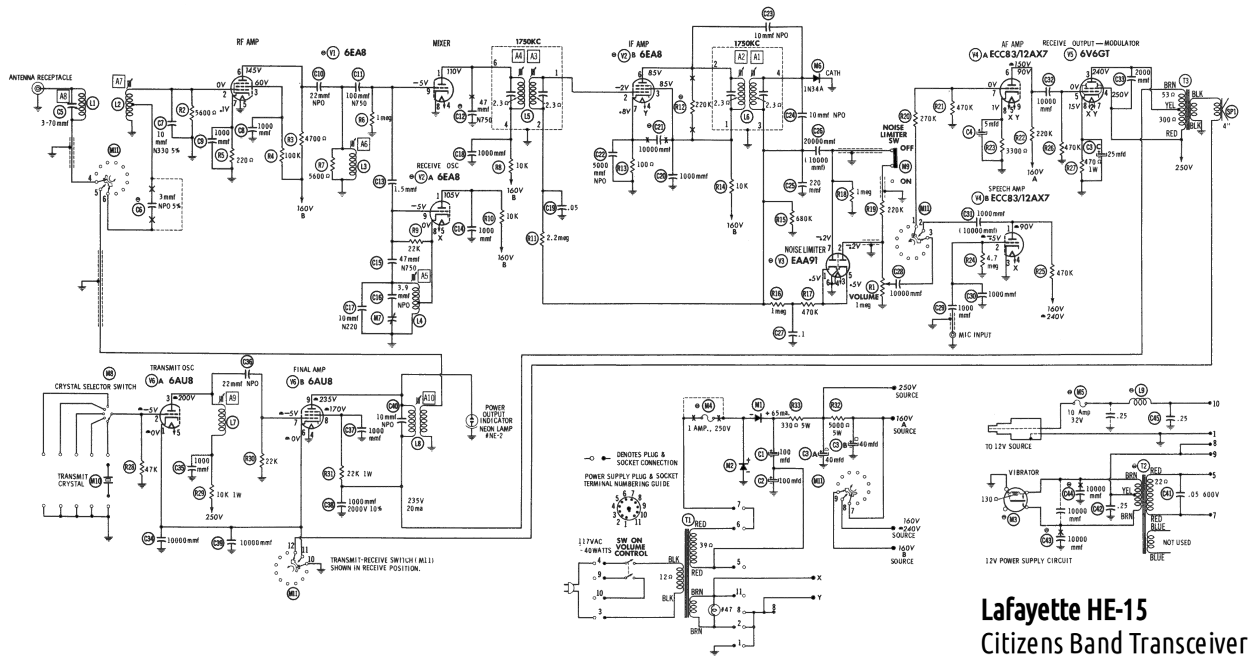
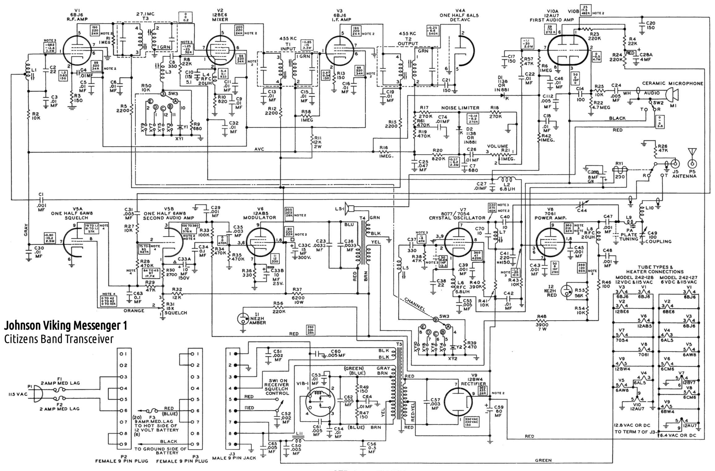
  • 5-Kanal-Mobil-/Stationsgerät Johnson Viking Messenger 1 (Röhrengerät)
  • 5-Kanal-Mobil-/Stationsgerät mit VFO-Empfänger Lafayette HE-15 (Röhrengerät)
  • Durchstimmbarer CB-Funk-Stationsempfänger Browning R-2700 (Röhrengerät)
  • Quarzgesteuerter 23-Kanal-CB-Funk-Sender Browning S Nine (Röhrengerät)
  • Tragbares Funkgerät Vocaline Commaire PT-27 (Hybridgerät)
  • 8-Kanal-Mobilfunkgerät Metrotek Bronco CB-280 (Transistorgerät)
  • Japanische 23-Kanal-Feststation Pearce Simpson Lynx 23 (Transistorgerät)
  •