+++ 73 DE DL4CS +++

Elektronisches Schloss mit Fenster-Diskriminator

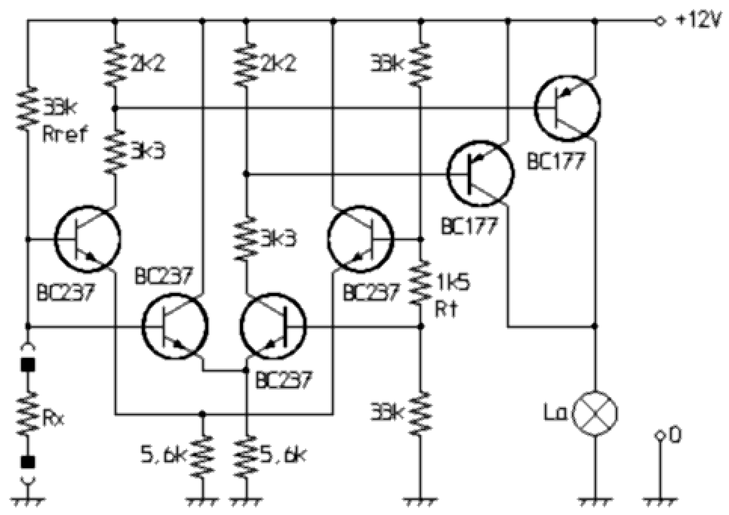
Bei der hier gezeigten Schaltung handelt es sich um einen Fenster-Diskriminator, der als Widerstandsdetektor geschaltet ist. Wie sich später noch zeigen wird, eignet sie sich gut zum Bau elektronischer Schlösser.

Ein Fenster-Diskriminator reagiert nur auf Gleichspannungen in einem definierten begrenzten Bereich. Würde man den Widerstand Rref fortlassen, würde die Schaltung so arbeiten. Sie würde bei der gezeigten Dimensionierung auf eine eng tolerierte Eingangsspannung reagieren, wenn diese der halben Betriebsspannung entspricht. Weil die vorgestellte Schaltung ein invertiertes Ausgangssignal liefert, würde das Lämpchen bei einer Eingangsspannung von ca. 6 Volt erlöschen, bei anderen Spannungswerten hingegen leuchten. Die Schaltung könnte so zum Beispiel als Spannungswächter dienen, der bei zu großer Abweichung von der Sollspannung einen Alarmton auslöst.

Durch den Widerstand Rref liegt am Eingang immer nur dann die halbe Betriebsspannung an, wenn der extern angeschlossene Widerstand Rx den gleichen Widerstandswert aufweist. Rt bestimmt die Toleranz, also den Bereich der Widerstandswerte, auf welche die Schaltung anspricht. Bei einem Wert von 1,5 kOhm liegt sie unter 15%.

Die Schaltung eignet sich damit vor allem sehr gut als elektronisches Schloss, das nur mit dem richtigen Widerstand geöffnet werden kann. In einem Übungsraum, in dem verschiedene Bands spielten, konnte damit z.B. die unerlaubte Benutzung von Verstärkern unterbunden werden, indem die Schaltung in die zu schützenden Geräte eingebaut wurde. Eine im jeweiligen Gerät nicht benötigte Klinkenbuchse wurde mit dem Eingang der Schaltung verbunden. Ein anstelle des Lämpchens angeschlossenes Relais unterbrach mit einem Öffner-Kontakt die für den Betrieb unbedingt notwendige Verbindung, über die das Audio-Signal von der Vor- zur Endstufe gelangt. Nach außen den Eindruck eines defekten Gerätes machend, konnte ein so präpariertes Gerät jederzeit mit einem Klinkenstecker, in dem ein 33kOhm-Widerstand eingelötet war, in sekundenschnelle zum Leben erweckt werden. So etwas hat nicht jeder in der Tasche!

Ist die Funktionsweise dieses elektronischen Schlosses allerdings bekannt, lässt es sich schnell mit einem Klinkenstecker mit angelötetem Potentiometer überlisten. Für größere Sicherheit kann die Schaltung mehrmals aufgebaut werden. Die Ausgänge werden einfach parallel geschaltet, denn ein angeschlossenes Relais fällt nur dann ab, wenn sämtliche an den Eingängen angeschlossenen Widerstände mit den Referenzwerten übereinstimmen. Man sollte unterschiedliche Werte für die einzelnen Widerstände nehmen, die dann beispielsweise in einen mehrpoligen DIN-Stecker eingelötet werden können. Wird mit einem zusätzlichen Kontakt eine Zeitschaltelektronik ausgelöst, lässt sich die Zeitdauer begrenzen, in der mit verschiedenen Werten probiert werden kann, um die Schaltung zum Auslösen zu bringen. Das elektronische Schloss lässt sich ohne Eingriffe im Inneren des Gerätes dann kaum noch knacken.