+++ 73 DE DL4CS +++

Vollständiger Stereo-Verstärker mit drei Röhren

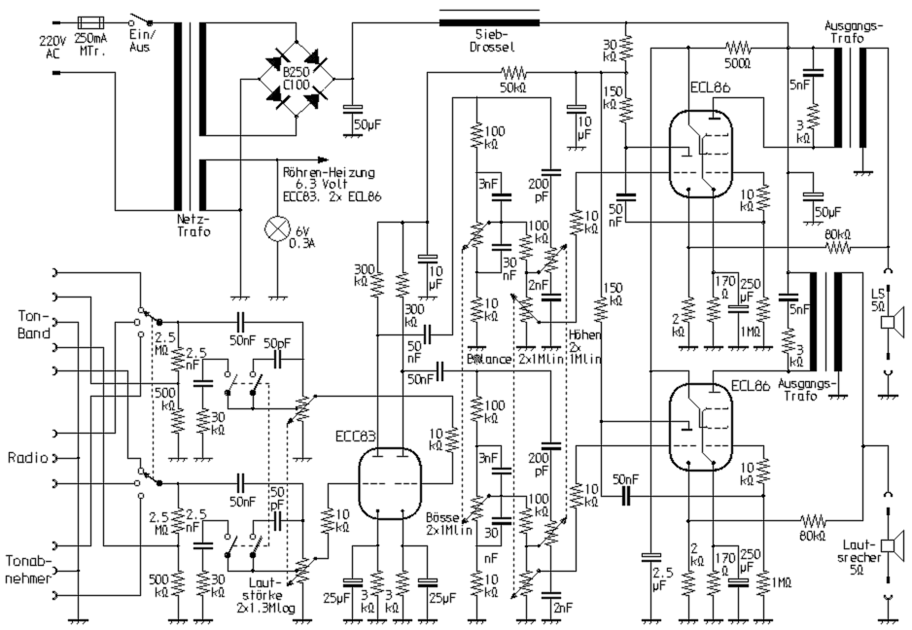
An dem früher als Anfänger-Selbstbauprojekt viel beschriebenen Stereoverstärker mit nur zwei Röhren ECL86 störte mich, dass mit der dort vorhandenen Höhen- und Tiefen-Blende keine Anhebung sondern nur eine Absenkung der jeweiligen Frequenzanteile möglich war. Außerdem ließ der Balanceregler sehr zu wünschen übrig und die Schaltung für die sogenannte gehörrichtige Frequenzkorrektur ließ sich nicht abschalten. Mit einer zusätzlichen Stereo-Verstärkerstufe mit einer Röhre ECC83 ließen sich die Verluste eines richtigen Klangregelnetzwerkes und Balancereglers ausgleichen. Die Kanaltrennung war so allerdings nicht die allerbeste, aber immer noch besser, wie beim Stereo-Rundfunk.

Ein so aufgebautes und in einem Holgehäuse im Design von Transistorverstärkern der 1970er Jahre untergebrachtes Gerät diente bei mir damals für längere Zeit zum Musikhören. Die erreichbare Lautstärke war bei den zur Verfügung stehenden zwei mal 4 Watt und mit den Boxen mit Oval-Lautsprechern von Saba - sogenannte Green-Cones - für die Tiefen und Piezos für die Höhen in jedem Falle groß genug, sich Ärger mit den Nachbarn einzuhandeln. Der Klang war für meine Begriffe viel lebendiger, als mit den seinerzeit modernen geschlossenen Boxen, die im Tieftonbereich im wesentlichen nur ein „Wummern“ hervorbrachten und das Verfolgen von Bassläufen fast unmöglich machten.

Wichtig war mir auch die Möglichkeit, die Signalquellen umzuschalten und davon aufnehmen zu können. Das Gerät erhielt folglich einen Signalquellen-Umschalter und Eingänge für Tonabnehmer, Radio und Tonband. Letzterer erhielt auch Ausgangsleitungen für die Aufnahme. Ich schloss hier ein Kassettendeck in der damals verbreiteten liegenden Bauweise an (Philips N2507). Zum Hören von Schallplatten verwendete ich einen Plattenspieler, der durch Einbau eines Plattenspieler-Chassis P-157 von BSR mitsamt eines Entzerrer-Vorverstärkers in ein Selbstbau-Holzgehäuse entstand. Solche Chassis wurden seinerzeit von vielen Elektronik-Fachgeschäften angeboten. Die Schaltung des Vorverstärkers ist hier an anderer Stelle zu finden. Als System verwendete ich ein Shure M75.

Von Freunden wurde ich früher, d.h. etwa Mitte der 1970er Jahre - wohl oft ein wenig darüber belächelt, dass ich überwiegend mit selbst gebauten Geräten Musik hörte. Japanische Transistor-Verstärker, z.B. von Rotel, waren angesagt. Wenn ich mich heute so im Internet umschaue, würde ich mit meiner damaligen Anlage wohl wieder ziemlich im Trend liegen. Sie existiert aber leider nicht mehr, da ich sie (leider!) schon vor vielen, vielen Jahren verschrottet habe.